Применимая температура: -20℃<100℃
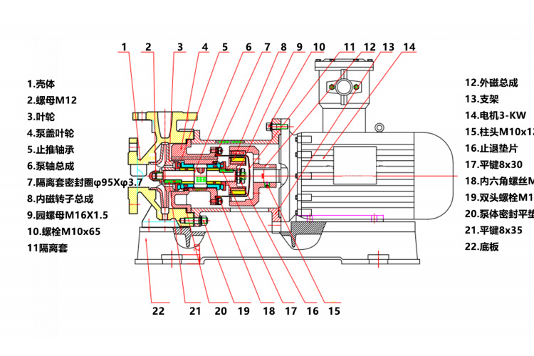
Насос с магнитным приводом типа IMC (называемый магнитным насосом) — это новый продукт, в котором применяется принцип работы муфты с постоянными магнитами в центробежном насосе. Он имеет разумный дизайн, передовые технологии, полную герметичность, отсутствие утечек, коррозионную стойкость и другие характеристики, а его характеристики достигли передового уровня аналогичных зарубежных продуктов. Магнитный насос из нержавеющей стали со статическим уплотнением вместо динамического уплотнения, так что проточные части насоса находятся в полностью герметичном состоянии, что полностью устраняет механическое уплотнение другого насоса, что не позволяет избежать проблем с бегом, пузырением или капанием. В качестве производственного материала магнитный насос использует коррозионностойкую, высокопрочную нержавеющую сталь, поэтому он обладает хорошей коррозионной стойкостью и может очищать транспортируемую среду от загрязнений. Расчетное давление: 1,6 МПа. Стандарт фланца: HG/T20592-09.
Магнитный насос, магнитная компактная конструкция, красивый внешний вид, небольшой размер, низкий уровень шума, надежная работа, простота в использовании и обслуживании. Его можно широко использовать в ручной химической промышленности, фармацевтической, нефтяной, гальванической, пищевой, пленочной фотопечати, научно-исследовательских институтах, национальной оборонной промышленности и других подразделениях для перекачивания кислоты, щелочи, масла, редких драгоценных жидкостей, яда, летучих жидкостей. , а также оборудование оборотной воды, фильтрующее оборудование. Этот насос идеально подходит для перекачивания легковоспламеняющихся и взрывоопасных жидкостей.


С двухступенчатым двигателем n=2900 об/мин. Расчетное давление: 1,6 МПа. «*» — стандартный параметр.
| Число | Модель | Поток (м³/ч) |
Головка насоса |
η (%) |
Диаметр |
Кавитационный запас |
Революция |
Власть |
Масса (кг) |
|
| Вход | Выход | |||||||||
| 1 | IMC32-25-125 | 2 | 22 | 20 | 32 | 25 | 4.5 | 2900 | 1.5 | 70 |
| *3.2 | 20 | 18 | ||||||||
| 5 | 17 | 16 | ||||||||
| 2 | IMC32-25-160 | 2 | 33 | 22 | 32 | 25 | 4.5 | 2900 | 2.2 | 80 |
| *3.2 | 32 | 20 | ||||||||
| 5 | 30 | 18 | ||||||||
| 3 | ИМК32-25-200 | 2 | 51 | 18 | 32 | 25 | 4.5 | 2900 | 4 | 100 |
| *3.2 | 50 | 16 | ||||||||
| 5 | 48 | 15 | ||||||||
| 4 | ИМК40-25-125 | 4 | 22 | 15 | 40 | 25 | 4.5 | 2900 | 2.2 | 80 |
| *6 | 20 | 20 | ||||||||
| 8 | 18 | 23 | ||||||||
| 5 | IMC40-25-160 | 5 | 33 | 17 | 40 | 25 | 4.5 | 2900 | 3 | 100 |
| *6 | 32 | 22 | ||||||||
| 8 | 29 | 27 | ||||||||
| 6 | ИМК40-25-200 | 4 | 52 | 15 | 40 | 25 | 4.5 | 2900 | 5.5 | 150 |
| *6 | 50 | 21 | ||||||||
| 10 | 46 | 29 | ||||||||
| 7 | IMC50-32-125 | 10 | 22 | 28 | 50 | 32 | 4 | 2900 | 3 | 80 |
| *12,5 | 20 | 30 | ||||||||
| 15 | 17 | 29 | ||||||||
| 8 | IMC50-32-160 | 10 | 33 | 39 | 50 | 32 | 4 | 2900 | 4 | 110 |
| *12,5 | 32 | 35 | ||||||||
| 15 | 25 | 37 | ||||||||
| 9 | IMC50-32-200 | 10 | 51 | 25 | 50 | 32 | 4 | 2900 | 7.5 | 150 |
| *12,5 | 50 | 30 | ||||||||
| 15 | 48 | 34 | ||||||||
| 10 | IMC50-32-250 | 10 | 81 | 24 | 50 | 32 | 4 | 2900 | 15 | 260 |
| *12,5 | 80 | 26 | ||||||||
| 15 | 75 | 29 | ||||||||
| 11 | ИМК65-50-125 | 20 | 22 | 36 | 65 | 50 | 4 | 2900 | 5.5 | 125 |
| *25 | 20 | 39 | ||||||||
| 30 | 18 | 37 | ||||||||
| 12 | IMC65-50-160 | 20 | 34 | 34 | 65 | 50 | 4 | 2900 | 7.5 | 140 |
| *25 | 32 | 37 | ||||||||
| 30 | 29 | 38 | ||||||||
| 13 | ИМК65-40-200 | 20 | 51 | 38 | 65 | 40 | 4 | 2900 | 15 | 240 |
| *25 | 50 | 42 | ||||||||
| 30 | 46 | 45 | ||||||||
| 14 | IMC65-40-250 | 20 | 82 | 33 | 65 | 40 | 4 | 2900 | 22 | 160 |
| *25 | 75 | 35 | ||||||||
| 30 | 65 | 38 | ||||||||
| 15 | IMC80-65-125 | 40 | 21 | 45 | 80 | 65 | 3.5 | 2900 | 7.5 | 140 |
| *50 | 20 | 48 | ||||||||
| 60 | 18 | 45 | ||||||||
| 16 | IMC80-65-160 | 40 | 33 | 43 | 80 | 65 | 3.5 | 2900 | 15 | 230 |
| *50 | 32 | 46 | ||||||||
| 60 | 29 | 49 | ||||||||
| 17 | ИМК80-50-200 | 40 | 52 | 50 | 80 | 50 | 4 | 2900 | 18.5 | 300 |
| *50 | 50 | 52 | ||||||||
| 60 | 46 | 53 | ||||||||
| 18 | ИМК80-50-250 | 40 | 73 | 46 | 80 | 50 | 3.5 | 2900 | 30 | 390 |
| *50 | 70 | 50 | ||||||||
| 60 | 65 | 52 | ||||||||
| 19 | ИМК100-80-125 | 80 | 21 | 50 | 100 | 80 | 3.5 | 2900 | 15 | 230 |
| *100 | 20 | 44 | ||||||||
| 120 | 17 | 42 | ||||||||
| 20 | ИМК100-80-160 | 80 | 36 | 50 | 100 | 80 | 4 | 2900 | 22 | 300 |
| *100 | 32 | 52 | ||||||||
| 120 | 24 | 45 | ||||||||
| 21 | ИМК100-65-200 | 80 | 51 | 65 | 100 | 65 | 4 | 2900 | 30 | 360 |
| *100 | 50 | 73 | ||||||||
| 120 | 48 | 78 | ||||||||
| 22 | ИМК125-80-160 | 140 | 32 | 56 | 125 | 80 | 4.5 | 2900 | 30 | 370 |
| *150 | 30 | 57 | ||||||||
| 160 | 26 | 54 | ||||||||
| Число | Модель | Габаритный монтажный размер | Размер входного фланца | Размер выходного фланца | |||||||||||||||||
| л | С | Б | П | Ф | ЧАС | час | Вт | Т | n-Φ d1 | С | а | б | е | n-Φ d | К | г | я | дж | n-Φ т | ||
| 1 | IMC32-25-125 | 615 | 450 | 620 | 70 | 80 | 332 | 192 | 345 | 300 | 4-Φ20 | 32 | 140 | 100 | 20 | 4-Φ18 | 25 | 115 | 85 | 18 | 4-Φ14 |
| 2 | IMC32-25-160 | 672 | 450 | 620 | 70 | 80 | 372 | 212 | 345 | 300 | 4-Φ20 | 32 | 140 | 100 | 20 | 4-Φ18 | 25 | 115 | 85 | 18 | 4-Φ14 |
| 3 | ИМК32-25-200 | 745 | 540 | 710 | 70 | 80 | 420 | 240 | 375 | 330 | 4-Φ20 | 32 | 140 | 100 | 20 | 4-Φ18 | 25 | 115 | 85 | 18 | 4-Φ14 |
| 4 | ИМК40-25-125 | 605 | 450 | 620 | 70 | 80 | 332 | 192 | 345 | 300 | 4-Φ20 | 40 | 150 | 110 | 18 | 4-Φ18 | 25 | 115 | 85 | 18 | 4-Φ14 |
| 5 | IMC40-25-160 | 680 | 450 | 620 | 70 | 80 | 372 | 212 | 345 | 300 | 4-Φ20 | 40 | 150 | 110 | 18 | 4-Φ18 | 25 | 115 | 85 | 18 | 4-Φ14 |
| 6 | ИМК40-25-200 | 790 | 540 | 710 | 70 | 80 | 420 | 240 | 375 | 330 | 4-Φ20 | 40 | 150 | 110 | 18 | 4-Φ18 | 25 | 115 | 85 | 18 | 4-Φ14 |
| 7 | IMC50-32-125 | 665 | 450 | 620 | 70 | 80 | 332 | 192 | 345 | 300 | 4-Φ20 | 50 | 165 | 125 | 20 | 4-Φ18 | 32 | 140 | 100 | 20 | 4-Φ18 |
| 8 | IMC50-32-160 | 705 | 450 | 620 | 70 | 80 | 372 | 212 | 345 | 300 | 4-Φ20 | 50 | 165 | 125 | 20 | 4-Φ 18 | 32 | 140 | 100 | 20 | 4-Φ18 |
| 9 | IMC50-32-200 | 790 | 540 | 710 | 70 | 80 | 420 | 240 | 375 | 330 | 4-Φ20 | 50 | 165 | 125 | 20 | 4-Φ18 | 32 | 140 | 100 | 20 | 4-Φ18 |
| 10 | IMC50-32-250 | 900 | 740 | 950 | 130 | 100 | 485 | 260 | 440 | 390 | 4-Φ 25 | 50 | 165 | 125 | 20 | 4-Φ 18 | 32 | 140 | 100 | 20 | 4-Φ18 |
| 11 | ИМК65-50-125 | 705 | 450 | 620 | 70 | 80 | 332 | 192 | 345 | 300 | 4-Φ20 | 65 | 185 | 145 | 20 | 8-Φ18 | 50 | 165 | 125 | 20 | 4-Φ18 |
| 12 | IMC65-50-160 | 786 | 540 | 710 | 70 | 80 | 372 | 212 | 375 | 330 | 4-Φ20 | 65 | 185 | 145 | 20 | 8-Φ18 | 50 | 165 | 125 | 20 | 4-Φ18 |
| 13 | ИМК65-40-200 | 945 | 570 | 850 | 130 | 100 | 420 | 240 | 440 | 390 | 4-Φ25 | 65 | 185 | 145 | 20 | 8-Φ18 | 40 | 150 | 110 | 18 | 4-Φ18 |
| 14 | IMC65-40-250 | 1025 | 570 | 910 | 130 | 100 | 485 | 260 | 440 | 390 | 4-Φ25 | 65 | 185 | 145 | 20 | 8-Φ18 | 40 | 150 | 110 | 18 | 4-Φ18 |
| 15 | IMC80-65-125 | 810 | 540 | 710 | 70 | 100 | 352 | 192 | 370 | 330 | 4-Φ20 | 80 | 200 | 160 | 20 | 8-Φ18 | 65 | 185 | 145 | 20 | 8-Φ18 |
| 16 | IMC80-65-160 | 940 | 570 | 850 | 70 | 100 | 420 | 240 | 370 | 330 | 4-Φ25 | 80 | 200 | 160 | 20 | 8-Φ18 | 65 | 185 | 145 | 20 | 8-Φ18 |
| 17 | ИМК80-50-200 | 1025 | 600 | 900 | 150 | 100 | 440 | 240 | 465 | 420 | 4-Φ25 | 80 | 200 | 160 | 20 | 8-Φ18 | 50 | 165 | 125 | 20 | 4-Φ18 |
| 18 | ИМК80-50-250 | 1205 | 720 | 1030 | 155 | 125 | 505 | 280 | 525 | 470 | 4-Φ25 | 80 | 200 | 160 | 20 | 8-Φ18 | 50 | 165 | 125 | 20 | 4-Φ18 |
| 19 | ИМК100-80-125 | 940 | 570 | 850 | 70 | 100 | 420 | 240 | 370 | 330 | 4-Φ25 | 100 | 220 | 180 | 22 | 8-Φ18 | 80 | 200 | 160 | 20 | 8-Φ18 |
| 20 | ИМК100-80-160 | 1025 | 600 | 900 | 150 | 100 | 440 | 240 | 465 | 420 | 4-Φ25 | 100 | 220 | 180 | 22 | 8-Φ18 | 80 | 200 | 160 | 20 | 8-Φ18 |
| 21 | ИМК100-65-200 | 1180 | 720 | 1030 | 155 | 100 | 505 | 280 | 525 | 470 | 4-Φ25 | 100 | 220 | 180 | 22 | 8-Φ18 | 65 | 185 | 145 | 20 | 8-Φ18 |
Мы очень серьезно относимся к Вашему письму и ответим Вам как можно скорее.

Freida — это комплексное предприятие, объединяющее промышленность и торговлю, специализирующееся на производстве различных типов химических насосов, включая насосы с магнитным приводом, центробежные насосы, погружные насосы, самовсасывающие насосы, трубопроводные насосы и коррозионностойкие и износостойкие насосы. Компания использует передовые технологии вычислительной гидродинамики (CFD), технологию обработки с числовым программным управлением и строгие системы тестирования и контроля качества для обеспечения высокого качества своей продукции. Будучи передовым отечественным производителем химических насосов, Freida объединяет диверсифицированное проектирование, производство и продажи, позиционируя себя на рынке высокого класса с годовым объемом производства, превышающим 50 миллионов юаней. Продукция Freida в основном экспортируется в США, Германию, Японию, Испанию, Италию, Великобританию, Южную Корею, Австралию, Канаду и другие страны и регионы по всему миру. Компания установила отношения сотрудничества с многочисленными химическими заводами, очистными сооружениями и новыми энергетическими заводами, включая несколько компаний из списка Fortune Global 500. Благодаря своему постоянному и стабильному качеству продукции и профессиональному обслуживанию Freida стала важным поставщиком химических насосов для этих компаний в Китае, завоевав широкое признание как на внутреннем, так и на международном рынках.








Как работает центробежный насос: основной принцип А центробежный насос...
Просмотреть ещеМагнитный насос — это тип насоса без уплотнений, который использует магнитную...
Просмотреть ещеЦентробежный насос из нержавеющей стали — это тип насоса для перекачки жидкос...
Просмотреть ещеЦентробежный насос из нержавеющей стали — это тип насоса для перекачки жидкос...
Просмотреть ещеКак точно оценить производительность насоса? Прежде чем планировать какой-...
Просмотреть ещеПонимание решений для насосных клапанов Решения для насосных клапанов явля...
Просмотреть еще